东莞仪器设备厂家直销: 恒温恒湿实验箱 高低温试验机验箱 盐雾腐蚀老化试验箱 等其他可靠性环境试验设备!

网站地图 在线留言 微信咨询 微信咨询

可靠性环境试验设备生产厂家仪器设备广泛应用于世界500强企业及各行各业

客户服务热线
158-9969-7899
您的位置: 首页 > 新闻动态 > 公司动态

氙灯老化试验箱制冷系统电源保护电路

文章出处:网络 责任编辑:小编 发表时间:2026-04-08
氙灯老化试验箱制冷系统电源保护电路
 
氙灯老化试验箱制冷系统电源保护可分为电源过欠压、电源缺相、电源相序保护电路。
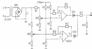
1 )氙灯老化试验箱制冷系统电源过电欠压电路原理。下图电路中T为变压器,DBI为全桥。其中RP1、LM324的8、9、10脚和外围组件组成欠压保护电路。其中RP2、LM324的12、13、14脚和外围组件组成过压保护电路。电阻R5~R8为比较器提供基准电压,R1~R4、R13、R14为分压电阻,VDl、VD2为耦合二极管。电源电压正常时,RP1输出电压使LM324的9脚电位大于10脚电位,其8脚输出低电平,单片机判断电源电压正常。
当电源电压低于190V时,RPl输出电压使LM324的9脚电位小于10脚电位,其8脚输出高电平,经VD1、R13、R14分压送入单片机进行欠压判断控制。电源电压正常时,RP2输出电压使LM324的12脚电位大于13脚电位,其14脚输出低电平,单片机判断电源电压正常。当电源电压高于245V时,RP2输出电压使LM324的12脚电位小于13脚电位,其14脚输出高电平,经VD2、R13、R14分压送入单片机进行过压判断控制。电源过电欠压保护电路常见故障:电源电压正常但过欠压指示或保护,电源电阻压过高或过低,但不进行过欠压保护。
氙灯老化试验箱制冷系统
电源过电欠压电路
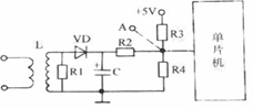
2 )氙灯老化试验箱制冷系统三相电源缺相保护电路原理。在三相柜式氙灯老化试验箱中,氙灯老化试验箱制冷系统压缩机线圈损坏的70%是由于缺相而造成的,所以氙灯老化试验箱制冷系统压缩机缺相保护电路被广泛地应用于三相柜式氙灯老化试验箱中,下图所示为电流互感式缺相保护电路。
三相电源缺相保护电路原理
电流互感式缺相保护电路
该电路由两个相同的电流互感器组成,此电路将氙灯老化试验箱制冷系统压缩机运转电流经电流互感器转换成交流电压,并经二极管整流为直流电压输入单片机比较判断,最终控制氙灯老化试验箱制冷系统压缩机接触器吸合与释放。当氙灯老化试验箱制冷系统压缩机缺相运行时,会造成不缺相的两相电流有很大增加,此时电流互感器次级输出交流电压相应增高,经二极管VD整流、电容C滤波后输出的直流电压也增高,该电压经单片机内部比较后,控制氙灯老化试验箱制冷系统压缩机接触器线圈断电。氙灯老化试验箱制冷系统压缩机运转电流过小的过程与上述控制结果相反。
   当氙灯老化试验箱制冷系统压缩机运转电流大于额定电流的1.4倍或小于额定电流的0.3倍时,单片机将判断为电源缺相,电路如图所示,其中R1为负载电阻,R2为限流电阻,R3、R4为分压电阻,VD为整流二极管,C为滤波电容,L为电流互感器,
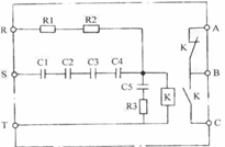
3 )相序保护电路。三相柜式氙灯老化试验箱常用涡旋式氙灯老化试验箱制冷系统压缩机,由于涡旋式氙灯老化试验箱制冷系统压缩机不准反转,所以增加了相序保护电路。下图中C1-C5为移相电容器,R1、R2本身是一个电阻,由于没有72KΩ这一标准值,所以采用两个电阻串联而成。R、S、T为三相交流电源,A、B、C为相序继电器常闭与常开触点,根据电路设计的不同,可采用控制常开触点或常闭触点的方法保护氙灯老化试验箱制冷系统压缩机。 当三相电源相序正确时,R3与C5串联,其两端将产生220V电压,此电压使相序继电器吸合,从而接通单片机控制回路或氙灯老化试验箱制冷系统压缩机接触器线圈回路。当三相电源相序错误时,R3与C5两端电压只有30V左右,所以相序继电器不会吸合,这样氙灯老化试验箱制冷系统压缩机将不能起动运行。
相序保护电路
相序保护电路